www.acef.com.cn
在线投诉
微信公众号
官方微博
English
热词:
污染投诉
环保督察
环境与发展论坛
首页
联合会概况
联合会动态
内设机构
相关机构
党风廉政
专题专栏
联合会简介
中华环保联合会是经国务院批准、民政部注册,生态环境部为行业管理部门,由热心环保事业的人士、企业、事业单位自愿结成的、非营利性的、全国性的社团组织。中华环保联合会的宗旨是围绕实施可持续发展战略,围绕实现国家环境与发展的目标,围绕维护公众和社会环境权益,充分体现“大中华、大环境、大联合”的组织优势...
联合会领导
终身荣誉主席:宋健
主席:王秀峰
副主席:张永红 谢玉红 夏 光 郭纹铭 李瑞农 柴发合 柏伦章 涂瑞和 贺克斌 张建新 王 颖 刘方毅 胡智荣 张钢柱 李 霓 别 涛 朱广庆 洪 平 王黎红 吴建荣
监事长:刘香芬
秘书长:谢玉红(兼)
副秘书长:郑庆宝 李瑞东 王统海
总经济师:洪家增
联系方式
地址:
北京市朝阳区和平里14区青年沟东路华表大厦6层
邮编:
100013
电话(总机):
010-51266665
更多详情
办公室
媒体宣传部
会员部
国际合作部
环境法律事业部
环境公益部
论坛展览部
环境技术推广与应用事业部
碳中和研究与促进事业部
战略合作部
企业财税运筹部
长三角绿色发展促进办公室
中环联(北京)环境保护有限公司
中环联环境产业(北京)有限公司
分支机构
代表机构
其他机构
中华环保联合会绿色贸易促进工作委员会
中华环保联合会危险废物回收利用专业委员会
中华环保联合会恶臭异味污染防治专业委员会
中华环保联合会固危废及土壤污染治理专业委员会
中华环保联合会碳资产与绿色转型专业委员会
中华环保联合会环境与法制专业委员会
中华环保联合会环境与健康专业委员会
中华环保联合会绿色技术发展专业委员会
中华环保联合会生态文明传播工作委员会
中华环保联合会碳普惠专业委员会
中华环保联合会废弃物发电专委会
中华环保联合会能源环境专业委员会
中华环保联合会ESG专业委员会
中华环保联合会核能核技术与生态环境保护专业委员会
中华环保联合会生态文化与艺术工作委员会
中华环保联合会乡村振兴专业委员会
中华环保联合会农业生态环保专业委员会
中华环保联合会“一带一路”生态产业合作工作委员会
中华环保联合会绿色供应链专业委员会
中华环保联合会冶金环境评估与碳资产管理工作委员会
中华环保联合会石油石化环保专家委员会
中华环保联合会水环境治理专业委员会
中华环保联合会工业园区专业委员会
中华环保联合会室内环保专业委员会
中华环保联合会VOCs污染防治专业委员会
中华环保联合会可降解塑料专业委员会
中华环保联合会环保志愿者工作委员会
中华环保联合会青少年环境友好行动委员会
中华环保联合会绿色金融专业委员会
福建省办事处
山东省办事处
山西省办事处
云南省办事处
河南省办事处
海南省办事处
江苏省办事处
内蒙古办事处
辽宁省办事处
安徽省办事处
华南办事处
西南办事处
华东办事处
党的工作
党的建设
群团工作
党的建设...
2019-07-11
群团工作...
2019-04-03
廉政建设
党的纪律
纪检工作
廉政文化
党的纪律
2016-10-25
纪检工作...
2018-04-28
廉政文化
2015-09-06
当前位置
>
首页
>
环境技术推广与应用事业部
>
部门动态
正文
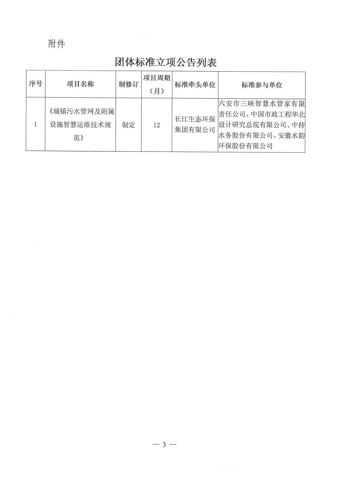
关于《城镇污水管网及附属设施智慧运维技术规范》团体标准立项的公告
时间 : 2025-07-17 来源 : 未知 作者 : gyy 点击 : 次
相关链接
2025-07-25
关于《燃煤锅炉协同处理固体废物运
2025-07-17
关于《城镇污水管网及附属设施智慧
2025-07-16
关于《环境大气半中等挥发性有机物
2025-07-14
关于开展 2025年度中华环保联合会科
2025-07-14
关于开展 2025年度中华环保联合会科
热点新闻
关于公示2024年度科学技术奖评审
关于开展 2023年度中华环保联合会
关于开展 2020 年度中华环保联合会
关于开展 2025年度中华环保联合会
关于公示2020年度科学技术奖评审
关于开展 2021年度中华环保联合会
关于开展 2024年度中华环保联合会
中华环保联合会关于公示2023年度
关于发布《中华环保联合会科学技
关于开展 2022年度中华环保联合会
中华环保联合会科技成果评价
关于公示2022年度科学技术奖评审
关于公布2020年度中华环保联合会
关于开展节能环保技术/产品申报
中华环保联合会批准发布《挥发性
相关新闻
关于开展 2025年度中华环保联合会